Projekte

Wege zur Umsetzung

Was mache ich alles?

REVISION
John Doe

CRD
Jane Helf

BESTANDSAUFNAHMEN
Joshua Insanus


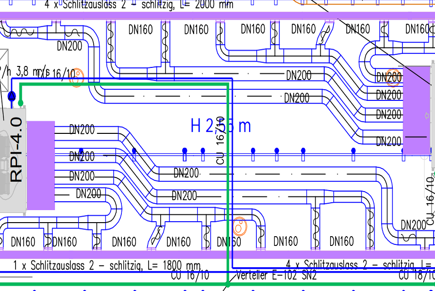
Leistungsspektrum
Meine Dienstleistung umfasst die Erarbeitung Ihrer Entwurfs- und Ausführungsplanung, sowie die Zusammenstellung der Revisionsdokumentation im Bereich der technischen Gebäudeausrüstung mit dem Spezialgebiet Lüftungstechnik. Pläne im PDF, DWG und DXF Format werden nach Ihren Vorgaben umgesetzt. Sind nur Papierpläne vorhanden, können diese nach Ihren Vorstellungen digitalisiert werden.

Bestandsaufnahmen
Sie müssen sich nicht darum kümmern, dass die Änderungen, die sich auf der Baustelle ergeben in Ihre Revisionsdokumentation einfließen. Entweder Sie stellen mir die Änderungen über Ihre Skizzen zur Verfügung oder es wird ein örtliches Aufmaß erstellt.

Plotservice
Sollten Sie einmal Zeichnungen in größeren Abmessungen benötigen, kann ich Ihnen diese bis zu einer Größe von A0 ausplotten.

Je nach Aufgabenstellung erfogt die Abrechnung auf Stundenbasis oder als Projektpauschale. Die Abrechnung der Papierplots erfolgt nach qm. Sie entscheiden ob die Pläne geschnitten oder gefaltet zur Verfügung gestellt werden sollen.

Kontakt

Für mehr Informationen einfach kontaktieren.

Kontakt Details

  • office@mh-cad.at
  • Phone:
    +43 535672471
  • Mobile:
    +43 6644624688
  • MH-CAD
    6370 Reith bei Kitzbühel
    Raintalweg 4
    Michael Hilgers